手册
1. 设计中心
1.1. 表单设计
1.1.1 功能模块关系图
1.1.2. 数据建模
1.1.2.1 添加建模操作指引
1.1.2.2 添加外部表操作指引
1.1.2.3 注意事项
1.1.3. PC表单
1.1.3.1 表单基础操作
1.1.3.2 复制表单
1.1.3.3 表单权限设置
1.1.3.4 生成手机表单
1.1.3.5. 布局控件
1.1.3.5.1 tab布局
1.1.3.5.2 分页布局
1.1.3.5.3 折叠面板
1.1.3.5.4 栅格布局
1.1.3.5.5 表格布局
1.1.3.5.6 子表
1.1.3.5.7 div子表
1.1.3.5.8 孙表
1.1.3.5.9 div孙表
1.1.3.5.10 分割线
1.1.3.6. 基础控件
1.1.3.6.1 单行文本
1.1.3.6.2 多行文本
1.1.3.6.3 属性文本
1.1.3.6.4 数字/货币
1.1.3.6.5 单选框
1.1.3.6.6 多选框
1.1.3.6.7 日期
1.1.3.6.8 时间
1.1.3.6.9 选择器
1.1.3.6.10 对话框
1.1.3.6.11 下拉框
1.1.3.6.12 下拉树
1.1.3.6.13 附件
1.1.3.6.14 开关
1.1.3.6.15 数据字典
1.1.3.6.16 标签
1.1.3.6.17 图片
1.1.3.6.18 高德地图
1.1.3.6.19 相关流程
1.1.3.6.20 输入建议
1.1.3.6.21 签章
1.1.3.7. 高级控件
1.1.3.7.1 按钮
1.1.3.7.2 实时单行/多行
1.1.3.7.3 里程碑
1.1.3.7.4 级联
1.1.3.7.5 数据视图
1.1.3.7.6 文本
1.1.3.7.7 二维码
1.1.3.7.8 iframe面板
1.1.3.7.9 背景图片
1.1.3.8 字段/表单属性
1.1.3.9. 表单功能扩展
1.1.3.9.1 表单校验-唯一性校验
1.1.3.9.2 表单校验-后端校验
1.1.3.9.3 表单引入脚本
1.1.3.9.4 字段校验-js校验
1.1.3.10 表单版本管理
1.1.3.11. 设置打印模板
1.1.3.11.1 word套打
1.1.3.11.2 表单打印
1.1.3.11.3 word套打数据库存字段0/1,打印为男/女
1.1.3.12 复用字段
1.1.4 手机表单
1.1.5 数据脱敏
1.1.6 模板管理
1.1.7 外部数据源
1.2. 元件管理
1.2.1 关联查询
1.2.2 对话框
1.2.3 流水号
1.2.4 数据字典
1.2.5 标签
1.2.6 元件管理功能关系图
1.3. 门户设计
1.3.1 功能模块关系图
1.3.2 栏目管理
1.3.3 默认门户
1.3.4 部门门户
1.3.5 新闻公告
2. 应用中心
2.1. 数据应用
2.1.1 功能分布图
2.1.2. 表单列表
2.1.2.1 表单列表-基础配置
2.1.2.2 表单列表_左树右列表结构
2.1.3 数据列表
2.1.4 创建视图
2.2. 图表应用
2.2.1 功能分布图
2.2.2 数据图表
2.2.3 流程图表
2.3. 应用模块
2.3.1 功能分布图
2.3.2 pc模块
2.3.3 移动端模块
2.3.4 流程模块
2.4 代码生成
2.5 企微钉钉
3. 流程中心
3.1 BPM流程全生命周期图
3.2. 流程设计
3.2.1 流程配置功能关系图
3.2.2. 流程定义
3.2.2.1 流程图设计及任务节点说明
3.2.2.2. 流程配置
3.2.2.2.1 全局配置
3.2.2.2.2 节点表单
3.2.2.2.3 节点审批人员
3.2.2.2.4 节点传阅人员
3.2.2.2.5 节点属性
3.2.2.2.6 节点按钮
3.2.2.2.7 节点事件
3.2.2.2.8 跳转规则设置
3.2.2.2.9 事件脚本设置
3.2.2.2.10 催办设置
3.2.2.2.11 触发新流程
3.2.2.2.12 变量管理
3.2.2.2.13 流程版本管理
3.2.2.2.14 初始赋值
3.2.2.2.15 其他设置
3.2.2.2.16 分支网关规范配置
3.2.2.3 流程仿真配置
3.2.2.4 流程复制
3.2.2.5 流程授权管理
3.2.2.6 绑定关系
3.2.2.7 清除数据
3.2.3 流程授权
3.2.4 常用流程
3.2.5 流程水印
3.3. 实例管理
3.3.1 实例管理
3.3.2 任务管理
3.3.3 打印记录
3.4. 任务调度
3.4.1 任务代理
3.4.2 领导秘书
3.4.3 任务移交
3.5. 附件管理
3.5.1 附件存储配置
3.5.2 附件列表
3.6. 辅助功能
3.6.1 常用语
3.6.2 消息模板
3.6.3 人员脚本
3.6.4 常用脚本
3.6.5 常用脚本使用说明
4. 用户中心
4.1. 组织管理
4.1.1 用户组织体系
4.1.2 维度管理
4.1.3 组织管理
4.1.4 职务管理
4.1.5 岗位管理
4.1.6 组织参数管理
4.2. 用户管理
4.2.1 用户中心
4.2.2 用户参数管理
4.3 关系矩阵
4.4 角色授权
4.5 汇报线
4.6 分级组织
4.7. 排班管理
4.7.1 法定假期
4.7.2 轮班规则
4.8. 租户管理
4.8.1 租户类型
4.8.2 租户管理
4.8.3 租户参数扩展
5. 系统管理
5.1. 菜单管理
5.1.1 菜单管理
5.1.2 接口列表
5.2 系统属性
5.3 密码策略
5.4. 系统日志
5.4.1 操作日志
5.4.2 登录日志
5.4.3 消息发送日志
5.4.4 接口事件日志
5.4.5 日志配置
5.5. 国际化
5.5.1 语种管理
5.5.2 资源管理
5.6. 我的企业
5.6.1 基本信息
5.6.2 扩展信息
5.6.3 邮件设置
5.7. 定时计划
5.7.1 定时计划
5.8. 分类管理
5.8.1 分类标识
5.8.2 分类管理
6. 应用端、移动端操作指引
6.1 应用端操作指引
6.2 移动端操作指引

分支网关规范配置

1939
刘美琴
2021-03-27 13:29:30
分享链接

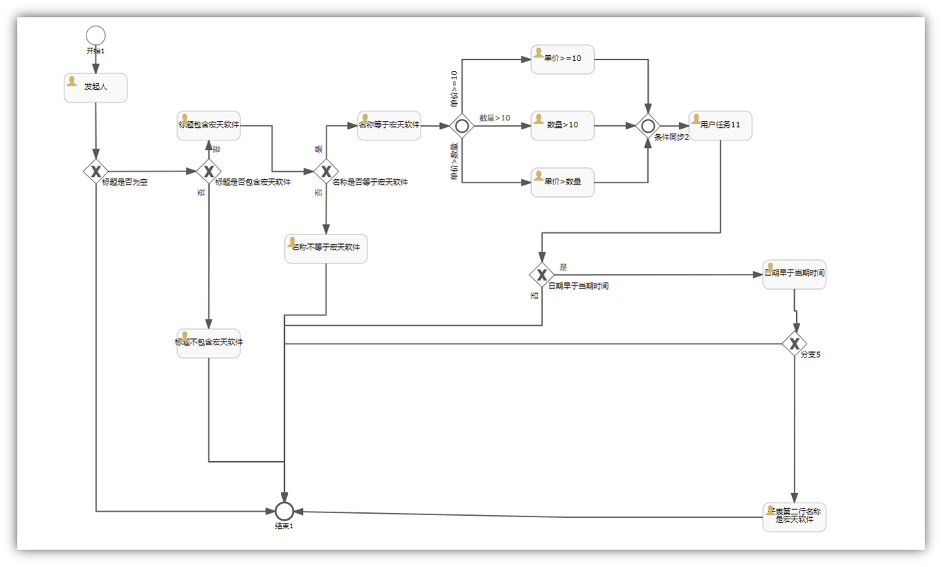
1.分支网关配置规范

本文主要对分支网关的条件配置规范说明

2.示例

2.1表单字段说明;


表单字段说明

字段名
字段别名
字段类型
格式

主表:各种判断分支条件/gzpdfztj

标题

bt

字符串

名称

mc

字符串

单价

dj

数字

数量

sl

数字

金额

je

字符串

日期

rq

日期

yyyy-MM-dd

子表:子表判断分支/zbpdfz (一对多)

标题

bt

字符串

名称

mc

字符串

单价

dj

数字

数量

sl

数字

金额

je

字符串

日期

rq

日期

yyyy-MM-dd

流程设计

条件设置

是否为空(以字符串字段为例)


//字段不为空
!(gzpdfztj.getString("bt") == Null || "".equals(gzpdfztj.getString("bt")))
//字段为空
gzpdfztj.getString("bt") == Null || "".equals(gzpdfztj.getString("bt"))


包含(以字符串字段为例)


//包含
scriptImpl.contains(gzpdfztj.getString("bt"),"宏天软件")
不包含
//!scriptImpl.contains(gzpdfztj.getString("bt"),"宏天软件")
等于(以字符串字段为例)
//等于
scriptImpl.equals(gzpdfztj.getString("mc"),"宏天软件")
//不等于
!scriptImpl.equals(gzpdfztj.getString("mc"),"宏天软件")


比较值(以数字字段为例)


//固定值比较
gzpdfztj.getDouble("dj")>=10
//固定值比较
gzpdfztj.getDouble("sl")>10
//变量比较
gzpdfztj.getDouble("dj") > gzpdfztj.getDouble("sl")


日期比较(以日期字段以当前日期比较为例)


//早于scriptImpl.isDateLittle(gzpdfztj.getString("rq"),scriptImpl.getCurrentDate())
//不早于
!scriptImpl.isDateLittle(gzpdfztj.getString("rq"),scriptImpl.getCurrentDate())


获取子表内容判断:


//第二行名称为宏天软件
Object subValue = scriptImpl.getSubFieldValueByIndex("gzpdfztj","zbpdfz","mc",2);
return subValue != null && "宏天软件".equals(subValue.toString())
//第二行名称不为宏天软件
Object subValue = scriptImpl.getSubFieldValueByIndex("gzpdfztj","zbpdfz","mc",2);
return !(subValue != null && "宏天软件".equals(subValue.toString()))


常用操作:

常规表达式可直接通过系统配置,操作如下:


发表评论
评论通过审核后显示。