1.功能描述
在流程列表页面中显示用户自己添加的有查看流程定义权限的流程,除了超级管理员。超级管理员有所有流程的查看和其他操作权限,流程的权限分配请参考分管授权。在流程列表页面中进行的操作有:1.流程图的设计2.配置流程表单、节点人员的设置3.流程节点、插件配置 4.流程的其他设置。
2.功能描述基础操作-设计流程图
将左边的流程图元素拖到流程图编辑区域设计成符合自己需要的流程图,双击流程图元素和连线,修改元素和连线的名称,元素也可以称为节点,也可以在页面右边的【节点信息】中修改节点和连线名称,如下所示:
            
            
            
将元素拖到流程图编辑区域后,点击选中元素,在元素的右边显示其他元素,在元素的左下角显示“删除”按钮,在元素的下面显示“改变元素类型”按钮,如下图所示:
- 点击元素右边的元素,在编辑区域中增加一个元素,两个元素之间有连线连接,如下所示:
            
- 点击“删除”按钮,删除选中的元素,如下图所示:
            
            注:改变元素类型时,只能变为相似的元素类型,例如,开始节点只能变为结束节点,用户任务只能变为其他任务,不能变为开始和结束节点,网关只能变为其他类型的网关。
3.功能描述流程元素使用说明
流程图的组成元素有开始、结束事件,有任务,有网关和泳池泳道,任务有人工任务的和自动任务,人工任务是需要人工处理的任务,例如用户任务、会签任务,自动任务是不需要人工干预的任务,有服务任务、脚本任务、消息任务。
下表中对流程图的每个元素进行了说明
| 序号 | 元素类型 | 说明 | 
| 1 | 开始节点 | 开始节点代表着流程的开始,每个流程图必须有开始节点,并且只能有一个 | 
| 2 | 结束节点 | 结束节点代表着流程的结束,每个流程图可以有多个结束节点 | 
| 3 | 用户任务 | 普通用户任务(单人审批任务) | 
| 4 | 会签任务 | 会签任务是需要多个人员来审批的任务,在【流程设置】中设置会签节点规则后,会签节点根据会签规则得出通过或者反对的投票结果,可以根据投票结果决定流程走向哪条分支 | 
| 5 | 脚本任务 | 用来执行java脚本 | 
| 6 | 消息任务 | 用来发送邮件、短信、站内消息,消息内容用户可以自己编辑 | 
| 7 | 外部子流程 | 使用其他已发布的流程作为当前流程的外部子流程,外部子流程可以单实例也可以多实例 | 
| 8 | 内部子流程 | 流程的内部子流程的流程图需要用户自己设计,内部子流程可以多实例也可以单实例 | 
| 9 | 分支网关 | 分支网关根据设置的分支网关条件选择流程要走的分支 | 
| 10 | 同步网关 | 同步网关需要成对使用,同步网关中的所有分支都会执行,只有同步网关中的所有分支都被处理后流程才可以通过同步网关走向同步网关的下一个节点 | 
| 11 | 条件同步网关 | 条件同步网关也是必须要成对使用,与同步网关不同的是,同步网关中的每条分支都会执行,条件同步网关是根据设置的条件选择走哪条分支,可能是多条分支也可能是一条分支, 若走多条分支则每条分支都执行完后流程才能通过条件同步网关走向下一个节点。若没有设置条件同步网关的条件,则所有分支都要执行。 | 
| 12 | 水平泳道 | 用来水平区分不同角色的任务区域,使流程图看起来整齐、规范。 | 
①用户任务
用户任务:即单人审批任务,该任务节点只能由一个用户审批;
当在该节点设置多人审批时,则谁先对这个任务节点进行审批,谁就是该节点的审批人(即抢占式任务节点);
场景案例:
报销流程中,部门经理审批节点设置了2个审批人;
流程运行到部门经理环节,会在这个2个审批人中生成待办:
使用“CS2”的账号进行审批后,则“CS2”为部门经理审批环节的处理人,另外一个个用户的待办会在对应的待办列表上消失;
② 会签任务
在会签节点的【节点信息】中设置会签节点的串并行类型,如下所示:
会签节点有串行和并行两种类型,这里的串并行指的是会签节点产生任务时,任务是以串行或者以并行的方式产生。例如给会签节点设置了三个节点人员,串并行类型选择串行时,会签节点的任务是先产生一个,这个任务被处理后再产生另一个;串并行类型选择并行时,会签节点的这三个任务同时产生。下面举例说明。
- 串行
在下面这个流程中,会签节点的串并行类型选择的是“串行”,会签节点的审批人员设置了三个,如下图所示:
启动流程,流程运行到会签节点,可以看到会签节点目前产生了一个任务,这个任务被处理后才产生会签节点的第二个任务,第二个任务被处理后,才产生第三个任务,如下所示:
- 并行
将流程中会签节点的串并行类型修改为“并行”保存后,启动流程,流程运行到会签节点时,会签节点的三条任务同时产生,如下所示:
③ 内部子流程
可添加内部子流程类型,分别为内部子流程(折叠的)和内部子流程(展开的),如下所示:
内部子流程在【节点信息】中设置子流程的实例类型,实例类型有单实例和多实例,实例类型选择多实例时,需要设置实例的串并行类型。如下所示:
- 子流程单实例
下图中的将内部子流程拖到设计页面,该实例类型就为单实例,在流程设置中设置内部子流程第一个节点的审批人员有三个,分别是张东,张宇果,张小小,如下图所示:
启动流程,流程运行到内部子流程第一个节点时,可以看到内部子流程只有一条任务,子流程第一个节点任务的待执行人有三个,这三个人员的【我的待办】中都有这该条任务的待办,他们对这个任务的审批是抢占式的,即其中一个审批后,其他两个人员的【我的待办】中不再有该条任务。
三个审批人的待办任务,如图所示:
当张宇果用户审批完该任务:
- 子流程多实例
将内部子流程的实例类型改为“多实例并行”,并行即内部子流程一次性产生多个实例,多个实例之间的处理相互不影响,当所有实例都被处理完后才流转到主流程。串行即内部子流程每次只产生一个实例,产生的实例被处理完后才产生另一条实例,同样也是所有的实例都被处理完后才流转到主流程。下面是多实例并行的例子:
在内部子流程的第一个节点设置四个审批人分别是:张三,cs3,cs2,cs4
注:当用户“cs2”在【我的待办】中办理了该任务后,张三,cs3,cs4用户的待办任务不受影响,依旧存在该任务。
④ 外部子流程
外部子流程节点在【节点信息】中选择子流程,设置子流程实例类型,当实例类型选择多实例时,设置串并行类型,和内部子流程一样。
选择子流程:点击子流程KEY下方的“选择”按钮,在“选择流程”弹出框中选择流程,然后点击“确定”按钮,选择的流程的KEY显示在文本框中,即该流程作为主流程的外部子流程。如下所示:
在【流程配置】页面,绑定主流程表单和审批人信息后,点击保存配置,然后点击设置外部子流程,操作如下所示:
返回主流程页面,点击保存配置即可启动该流程,效果图如下所示:
在外部子流程的第一个节点的审批人的待办中显示该任务:
注:外部子流程的单实例和多实例串、并行的效果同内部子流程的一样,这里不再赘述
⑤ 服务任务
服务任务可以设置脚本任务和消息任务
脚本任务:执行脚本的任务节点;
消息任务:用于发送消息的任务节点;
流程中添加了服务任务的节点后,在流程配置-更多配置-设置自动任务,
⑥ 互斥网关
互斥网关:互斥网关根据设置的互斥网关条件选择流程要走的分支
示例说明:表单字段“报销总金额”大于500时,需要总经理审批;“报销总金额”小于500,则结束流程,流程图如下所示:
设置报销总金额为501,查看流程图效果:
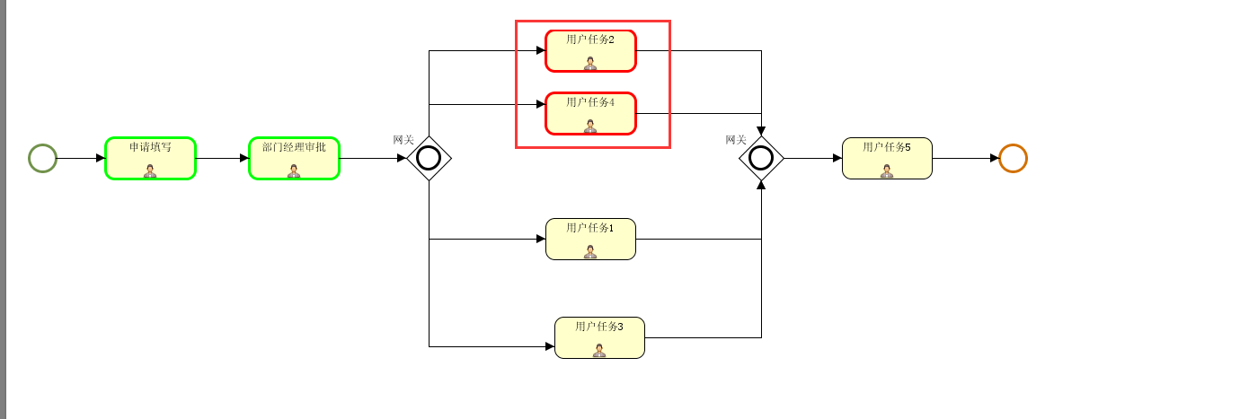
⑦ 并行网关
并行网关:并行网关需要成对使用,并行网关中的所有分支都会执行,只有并行网关中的所有分支都被处理后流程才可以通过并行网关走向并行网关的下一个节点;
如下所示:
⑧ 相容网关
相容网关:相容网关也是必须要成对使用,与并行网关不同的是,并行网关中的每条分支都会执行,相容网关是根据设置的条件选择走哪条分支,可能是多条分支也可能是一条分支,若走多条分支则每条分支都执行完后流程才能通过相容网关走向下一个节点。若没有设置条件并行网关的条件,则所有分支都要执行。
示例说明:根据表单字段“员工状态,员工类型”选择的内容流转到对应的节点,流程图如下所示:
预览效果:
员工状态选择第一项,员工类型选择第一,二项:
流程图:
⑨ 泳池泳道
示例:
 
 
 
 
 
 
 
 
 
 
 
 
 
 
 
 
 
 
 
 
 
 
 
 
 
 
 
 
 
 
 
 
 
 
 
 
 
 
 
 
 
 
 
 
 
 
 
 
 
